There have been many articles over the years describing how to start an engine with a faulty magneto. Certainly there are many engineers who are way more knowledgeable about the subject than I am, but I needed a battery box. It was a good project for my new CNC router.

Images 1-3: Since one of my other hobbies is woodworking, I wanted to try cutting box joints with the Vetric software app that came with my machine. Over the years, I’ve made many box joints using a jig on my table saw and a dado blade. In the final analysis, I’m not overly pleased with the joints made with the CNC machine, but it was quick and with plenty of wood filler they look “okay.” The problem is a round milling cutter will not make a perfect 90° cut whereas a dado blade will. A small radius is left at the bottom of the cut that must be filled in. You can also make one without the box joints.


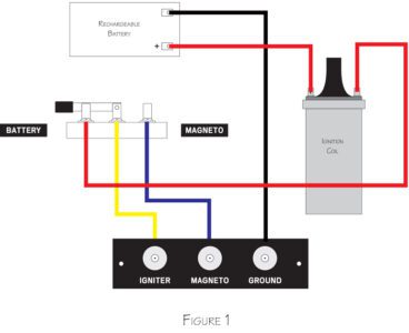
Figure 1 The circuit is simple. There are differing opinions on whether to use a 6-volt battery and coil or a 12-volt system. Just be sure the voltage of the coil matches the voltage from the battery. A single pole, double throw knife switch allows you to start and run the engine either with the magneto or the battery.


Image 4: I made a cable from reproduction, cloth-covered wires and laced them together with lacing string. One end of the wires is fitted with a crimp and soldered connector available from Flywheel Supply. The opposite ends of the magneto and ignitor wires are tinned. Solder a good quality alligator clip to the ground wire. The terminal strip allows the cable to be removed for storage.

Image 5-6: A compartment in the box provides storage space for the cable and battery charger. I suggest you unhook one of the terminals from the battery for storage.


Author Jay Miller has a variety of excellent YouTube videos on his channel @RadioTexas including an instructional video for creating a starter stick.

Jay Miller has 40 years’ experience writing for hobby magazines in model and prototype railroading and amateur radio. He authored two books on Collins Radio equipment and edited the Santa Fe Modeler magazine for 10 years. He is a professional photographer, radio engineer, and accomplished machinist. Jay resides on a ranch near Crawford, Texas, and is semi-retired. Contact him at jay@kk5im.com

