Box 63 College Springs, Iowa 51637
Through the courtesy of Lewis H. Cline, 603 Fremont St.,
Middleville, Michigan 49333 and with the kind permission of
International Harvester Company, 401 North Michigan Ave., Chicago,
Illinois 60611, we will be printing a series of interesting
information from the book ‘Internal Combustion Engines and
Tractors’.
Anyone having tractors will find them very valuable and those
who do have tractors, will find the data interesting. This is the
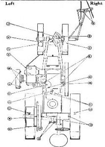
third contribution, which consists of an illustration and some
tables on oiling the Mogul 10-20.
Mogul 10-20 A 3-Plow Kerosene Burning Tractor
Motor–Simple, low-speed, long-lived and
efficient motor, made in the Mogul factory.
Enclosed Crank Case–Keeps dust, dirt and grit
out of working parts.
Hopper Cooling System-No pump; no radiator
troubles; no small passages to become clogged with sediment or
lime, or to freeze.
High Tension Magneto–Motor starts and runs on
the magneto. No batteries are needed.
Fuel Saving Governor–Regulates the volume of
fuel to the load and also keeps the speed of the motor uniform.
The Oiler That Never Forgets–The force feed
oiler on the Mogul gives the main bearings and working parts the
proper amount of oil. It is always on the job.
Serviceable Transmission–Is enclosed in a
dust-proof case and runs in oil. It is of the selective type with
large, accurately cut gears of hardened steel, fitted with high
grade roller bearings. Two speeds forward and one reverse.
Flexible Drive Chain–Power is transmitted to
the two drive wheels by a strong, flexible, high grade roller
chain-the best known way to transmit power on a tractor. There is
no binding, no getting out of alignment.
Two-Wheel Drive–Both rear wheels are drive
wheels. The pull is straight ahead.
SPECIFICATIONS MOGUL 10-20
Rated H.P. Belt ………… 20
Rated H.P. Drawbar …….. 10
Bore……………….. 8?
Stroke………………. 12
R.P.M………………..400
Hopper Capacity…….. 35 gallon
Fuel Tank Capacity……. 13 gallon
Width…………… 56 inches
Length……………135 inches
Height…………… 70 inches
Diameter, Rear Wheels …. 54 inches Diameter, Front Wheels …
36 inches
Face, Rear Wheels……. 10 inches
Face, Front Wheels……. 6 inches
Forward Speeds 1.8 and 2.5 miles per. hr. Friction Clutch
Pulley, Diam. 20 inches Friction Clutch Pulley, Face. 10? inches
Weight (Approx.)…….. 5500 lbs.
How and When to Oil Mogul 10-20 | ||||
KEY | DESCRIPTION | QUANTITY | LUBRICATION | |
ONCE EVERY HOUR | ||||
U | Rear axle bearing | Two complete turns | Cup Grease | |
ONCE EVERY TWO HOURS | ||||
A | Differential hub | One complete turn | Cup Grease | |
B | Differential pinion | One complete turn | Cup Grease | |
C | Rear wheel hub | One complete turn | Cup Grease | |
G | Clutch Spider | Two complete turns | Cup Grease | |
G | Clutch shifter ring | Two complete turns | Cup Grease | |
K | Front wheel hub | Two complete turns | Cup Grease | |
P | Governor and cam shaft | |||
bearing | Two complete turns | Cup Grease | ||
TWICE EVERY DAY | ||||
E | Governor | Oil | ||
F | Clutch spider grease cups | Two complete turns when | ||
plowing | Cup Grease | |||
L | Steering worm | Oil | ||
M | Steering hub grease cups | One complete turn | Cup Grease | |
N | Steering worm shaft | Oil | ||
S | Lubricator eccentric | Oil every 5 hours (keep | ||
wool in pocket) | ||||
T | Cam roller slide | Oil every 5 hours | ||
W | Valve levers | Fill with oil every 5 hours | ||
(keep wool in pockets) | ||||
ONCE EVERY DAY TRACTOR IS IN USE | ||||
J | Steering sector shaft | One complete turn | Cup Grease | |
MECHANICAL LUBRICATOR | ||||
D | Fill with a good grade of heavy gas engine cylinder oil. Turn | |||
H | 11/2′ to 2′ of oil should be kept in transmission. In | |||
N | Cylinder oil in governor should cover shoe. | |||
IMPORTANT- In cool or cold weather the oil in lubricator tank must be | ||||
TABLE II | ||||
Tube No. From Hand Crank End | Parts Oiled | Proportion of Total Oil | Delivered by 200 Turns of Crank | No. of Drops per Revolution |
1 | Cylinder | About 1/2 of total amount | About 3.3 to 4.4 teaspoonfuls | 3 to 4 drops |
2 | Main bearing on transmission side | About 1/6 of total amount | About 1.1 to 2.2 teaspoonfuls | 1 to 2 drops |
3 | Main bearing on flywheel side | About 1/6 of amount | About 1.1 to 2.2 teaspoonfuls | 1 to 2 drops |
4 | Crank shaft connecting rod bearing | About 1/6 of total amount | About 1.1 to 2.2 teaspoonfuls | 1 to 2 drops |
TOTAL | 6.6 to 11.1 teaspoonfuls | 6 to 10 drops | ||

